Published:2009/7/24 2:28:00 Author:Jessie | From:SeekIC

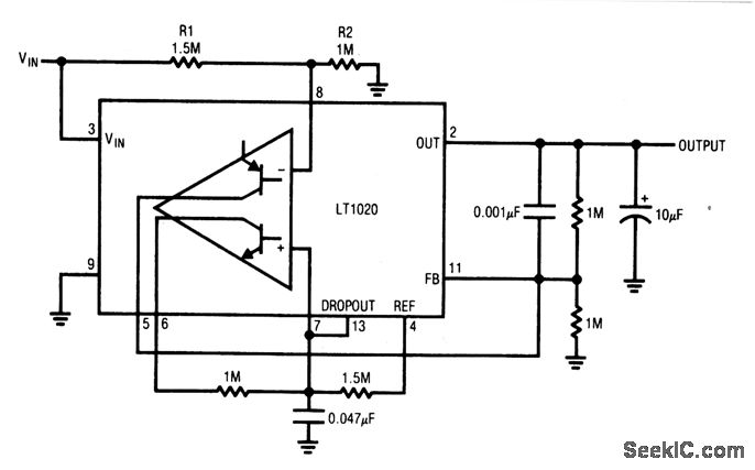
With this circuit, power is turned completely off when dropout begins (battery low). The circuit will not turn on until (VIN×R2)/( R1+ R2)=2.5 V. This prevents battery creep back from causing oscillation. In some cases, battery voltage will rise temporarily after going low.
Reprinted Url Of This Article:
http://www.seekic.com/circuit_diagram/Power_Supply_Circuit/Regulator_with_output_shutdown_on_dropout_battery_low.html
Print this Page | Comments | Reading(3)
Code: