Published:2009/7/9 3:28:00 Author:May | From:SeekIC

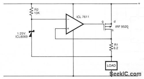
In the circuit shown, a CMOS op amp controls the current through a p-channel HEXFET power transistor to maintain a constant voltage across R1. The current is given by: 1 = VREF/R1. The advantages of this configuration are: (a) in the event of a component failure, the load current is limited by R1; and (b) the overhead voltage needed by the op amp and the HEXFET is extremely low.
Reprinted Url Of This Article:
http://www.seekic.com/circuit_diagram/Power_Supply_Circuit/SAFE_CONSTANT_CURRENT_SOURCE.html
Print this Page | Comments | Reading(3)
Code: