Published:2009/7/19 22:16:00 Author:Jessie | From:SeekIC

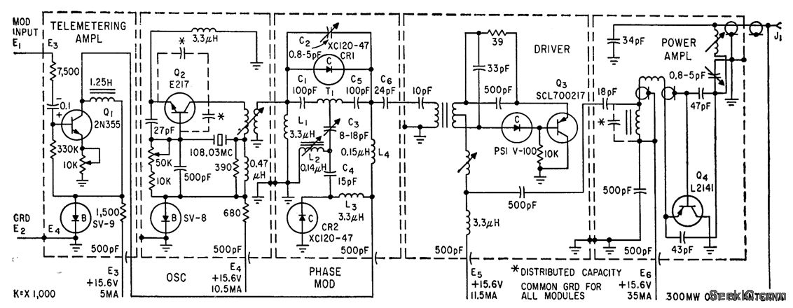
Novel phase modulator, based on bridged-T network, gives simple design dong with wide modulating capability. Transmitter has output of 300 mw at 108 Mc for telemetering data for up to 18 months from Van Allen radiation bell.-A. J. Fisher, W. R. Talbert, and W. R. Chittenden, Telemetry Transmitter for Radiation Satellite, Electronics, 33:19, p 68-69.
Reprinted Url Of This Article:
http://www.seekic.com/circuit_diagram/Power_Supply_Circuit/SATELLITE_TRANSMITTER.html
Print this Page | Comments | Reading(3)
Code: