Published:2009/6/23 4:35:00 Author:Jessie | From:SeekIC

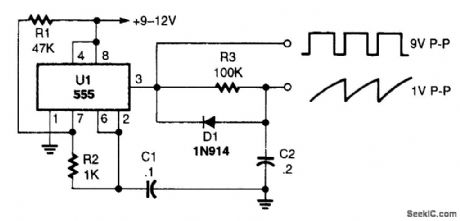
A sawtooth waveform generator circuit using a 555 IC is shown. The IC is connected in an astable oscillator circuit with the majority of the output contained in the positive portion of the cy-cle. The negative output is a very brief pulse.Capacitor C2 charges through R3 in a positive direction during the time that the IC's output (at pin 3) is high. When the output goes negative, C2 is rapidly discharged through Dl and the IC's out-put.Peak-to-peak sawtooth output is about 1 V. The linearity of this circuit is best when R3 is as large as possible. The oscillator's frequency is about 200 Hz and can be increased by lowering either the value of R1 or C1 to decrease the frequency, increase the values of those components.
Reprinted Url Of This Article:
http://www.seekic.com/circuit_diagram/Power_Supply_Circuit/SAWTOOTH_GENERATOR.html
Print this Page | Comments | Reading(3)
Code: