Published:2009/7/24 1:40:00 Author:Jessie | From:SeekIC

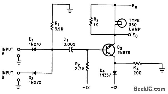
Computer register lo be sampled is connected to input A, and input B is fed with 10-microsec, 12-V positive pulse. When output of register is at its low level of -12 V, diode D1 conducts but D2 does not, so scr D3 is nonconducting and lamp is off. When register output is high level (ground potential), coincident positive voltages applied to base of scr make it conduct and turn lamp on. -J. J. Collins, Displaying the Contents of a Computer Register, Electronics, 37:21, p 72.
Reprinted Url Of This Article:
http://www.seekic.com/circuit_diagram/Power_Supply_Circuit/SCR_AND_LAMP_DISPLAY_CONTENTS_OF_REGISTER.html
Print this Page | Comments | Reading(3)
Code: