Published:2009/7/19 22:13:00 Author:Jessie | From:SeekIC

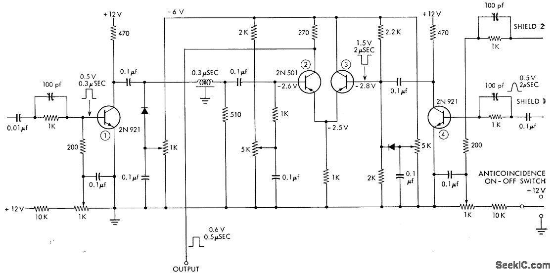
Produces an output from a trigger at in.put 1 only if input 2 is not triggered at that time. Used in liquid scintillation counter where expected count mtes are low.-G. J Sprokel, A Liquid Scintillation Counter Using Anticoincidence Shielding, IBM Journal of Research and Development, 7:2, p 135-145.
Reprinted Url Of This Article:
http://www.seekic.com/circuit_diagram/Power_Supply_Circuit/SClNTILLATION_COUNTER_ANTI_COINClDENCE.html
Print this Page | Comments | Reading(3)
Code: