Published:2009/7/17 1:29:00 Author:Jessie | From:SeekIC

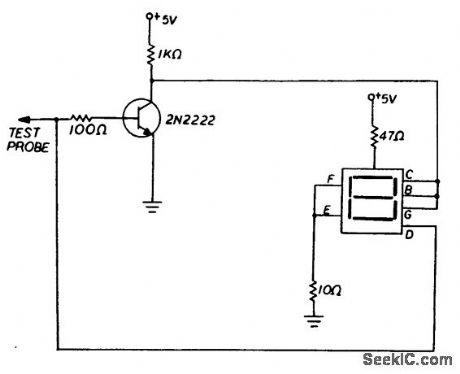
This circuit is capable of indicating the HI or LO status of a digital circuit. The circuit in the figure will display the letter H for HI or +5 V and L for LO or 0 V. The 2N2222 NPN transistor serves as a driver for turning on the appropriate segments of the display, thereby producing the letter H. This condition will occur with a + 5-V signal applied to the base of the transistor. If a 0-V signal is detected at the base of the transistor, the letter L will be displayed, indicating that the transistor driver is turned off.
Reprinted Url Of This Article:
http://www.seekic.com/circuit_diagram/Power_Supply_Circuit/SEVEN_SEGMENT_LOGIC_PROBE.html
Print this Page | Comments | Reading(3)
Code: