Published:2009/7/20 6:41:00 Author:Jessie | From:SeekIC

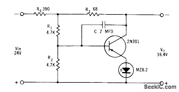
Used when output volt-age must be higher than zener voltage. Rip-ple is less than 10 my when regulator is supplied by full-wove rectifier having 20 mid capacitance.- Zener Diode Handbook, In ternational Rectifier Corp., 1960, p 55.
Reprinted Url Of This Article:
http://www.seekic.com/circuit_diagram/Power_Supply_Circuit/SHUNT_REGULATOR.html
Print this Page | Comments | Reading(3)
Code: