Published:2009/6/23 4:35:00 Author:Jessie | From:SeekIC

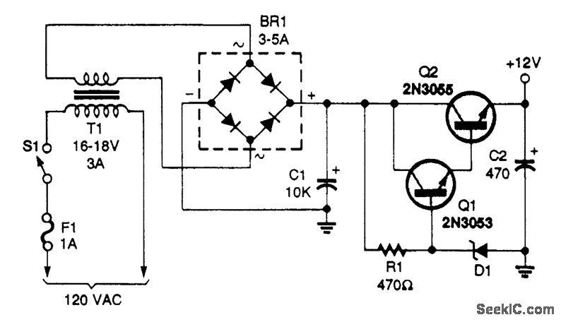
This 12-V power supply is easy-to-build,and it produces a smooth output,D1 is a 14-V,1/2-W Zener diode. The voltage can be varied by a few volts up or down to change the output voltage
Reprinted Url Of This Article:
http://www.seekic.com/circuit_diagram/Power_Supply_Circuit/SIMPLE_12_V_POWER_SUPPLY.html
Print this Page | Comments | Reading(3)
Code: