Published:2009/6/28 22:31:00 Author:May | From:SeekIC

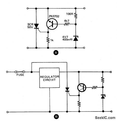
These circuits provide o,vervoltage protection in case of voltage regulator failure or application of an external voltage. Intended to be used with a supply offering some form of short circuit protection, either foldback, current limiting, or a simple fuse. The most likely application is a 5 V logic supply, since TTL is easily damaged by excess voltage. The values chosen in A are for a 5 V supply, although any supply up to about 25 V can be protected by simply choosing the appropriate zener diode. When the supply voltage exceeds the zener voltage +0.7 V, the transistor turns on and fires the thyristor. This shorts out the supply, and prevents the voltage rising any further. In the case of a supply with only fuse protection, it is better to connect the thyristor the regulator circuit when the crowbar operates. The thyristor should have a current rating about twice the expected short circuit current and a maximum voltage greater than the supply voltage. The circuit can be reset by either switching off the supply, or by breaking the thyristor circuit with a switch.
Reprinted Url Of This Article:
http://www.seekic.com/circuit_diagram/Power_Supply_Circuit/SIMPLE_CROWBAR.html
Print this Page | Comments | Reading(3)
Code: