Published:2009/7/17 2:05:00 Author:Jessie | From:SeekIC

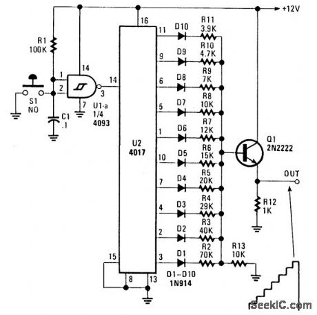
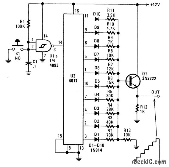
U2 is a decade counter /divider. U1 is used as a switch debouncer. For a self-generating system, connect a resistor between pins 2 and 3 of a U1 value that should be between 10 kΩ and several MΩ, depending on desired frequency. C1 can also be varied to change frequency. Also, S1 can be omitted in the self-generating version.
Reprinted Url Of This Article:
http://www.seekic.com/circuit_diagram/Power_Supply_Circuit/SIMPLE_STAIRCASE_GENERATOR.html
Print this Page | Comments | Reading(3)
Code: