Published:2009/7/17 2:51:00 Author:Jessie | From:SeekIC

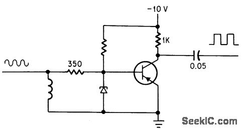
Japanese Esaki or tunnel diode acts like Schmitt trigger in converting sine-wave input signal to square-wave pulse train.-T. Kojima and M. Watanabe, When You're Second, You Try Harder, Electronics, 28:25, p 81-89.
Reprinted Url Of This Article:
http://www.seekic.com/circuit_diagram/Power_Supply_Circuit/SINE_TO_SQUARE_WAVES.html
Print this Page | Comments | Reading(3)
Code: