Published:2009/7/15 21:43:00 Author:Jessie | From:SeekIC

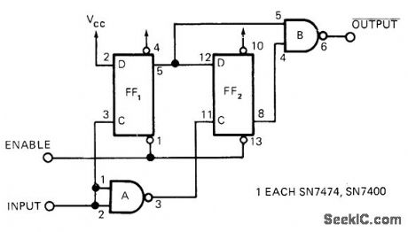
Circuit is used to select any desired single pulse from wavetrain continuously applied to input terminal. When enable pulse (not exceeding width of input pulse) is applied, flip-flop FF1 clocks on leading edge of next input pulse and FF2 clocks on trailing edge. Output pulse thus has same width as pulses in input wavetrain. Edge-triggering characteristics of D flip-flops prevent operation if they are enabled during input pulse; in this case, next input pulse is delivered as output.-S. J. Cormack, Pulse Catcher Uses Two ICs, EDN Magazine, Jan. 5, 1973, p 109.
Reprinted Url Of This Article:
http://www.seekic.com/circuit_diagram/Power_Supply_Circuit/SINGLE_PULSE_SELECTOR.html
Print this Page | Comments | Reading(3)
Code: