Published:2009/7/20 0:50:00 Author:Jessie | From:SeekIC

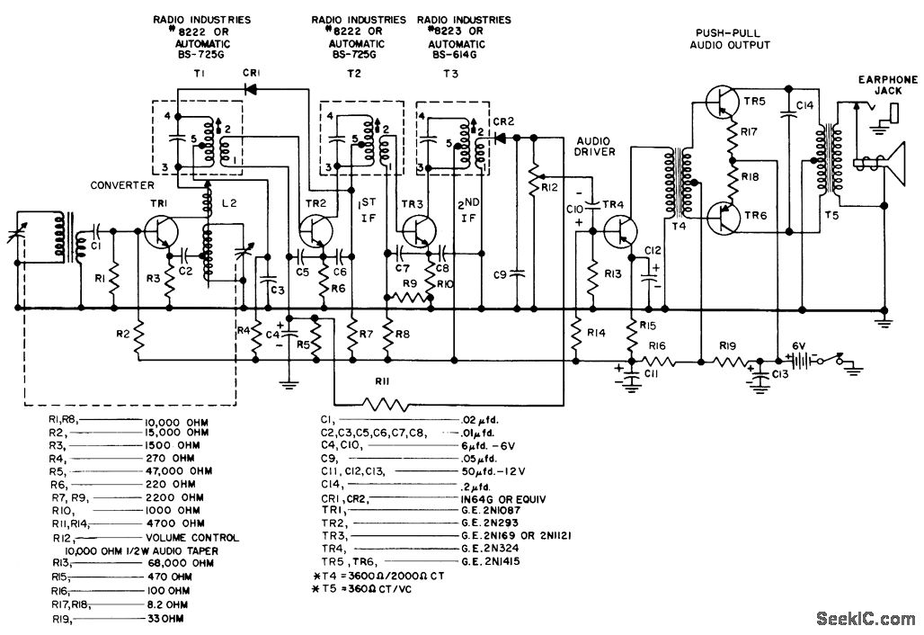
Nominal sensitivity is 200 microvolts per meter, maximum power output is 200 mw, and zero-signal battery drain is 8 ma.- Transistor Manual, Seventh Edition, General Electric Co., 1964, p 292.
Reprinted Url Of This Article:
http://www.seekic.com/circuit_diagram/Power_Supply_Circuit/SIX_TRANSISTOR_6_V_BROADCAST_RECEIVER.html
Print this Page | Comments | Reading(3)
Code: