Published:2011/4/20 6:22:00 Author:May | Keyword: power supply | From:SeekIC

Reprinted Url Of This Article:
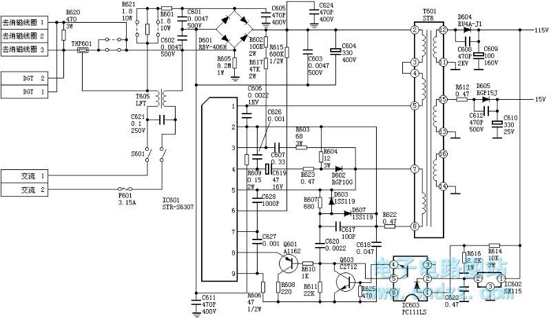
http://www.seekic.com/circuit_diagram/Power_Supply_Circuit/SONY_KV2185_power_supply.html
Print this Page | Comments | Reading(3)
Code: