Published:2011/8/11 5:48:00 Author:Sue | Keyword: Power Supply | From:SeekIC

Reprinted Url Of This Article:
http://www.seekic.com/circuit_diagram/Power_Supply_Circuit/STR5412_Power_Supply_Circuit.html
Print this Page | Comments | Reading(3)
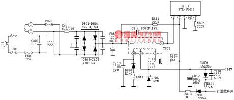
Code: