Published:2009/7/17 2:03:00 Author:Jessie | From:SeekIC

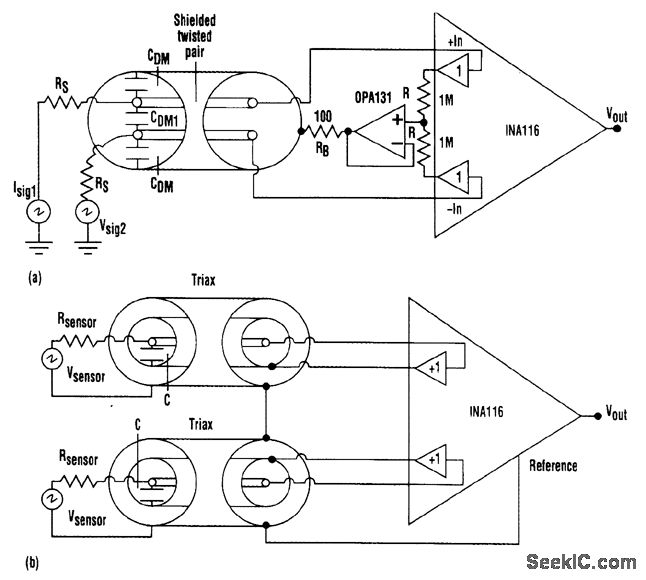
A shielded twisted-pair cable eliminates common-mode capacitance, but the differential capacitance remains (a). A triax cable eliminates both common-mode and differential capacitances (b).
Reprinted Url Of This Article:
http://www.seekic.com/circuit_diagram/Power_Supply_Circuit/STRAY_CAPACITANCE_CANCELLATION_TECHNIQUE.html
Print this Page | Comments | Reading(3)
Code: