Published:2009/6/22 22:38:00 Author:May | From:SeekIC


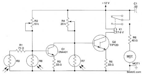
The sun tracker uses a combination of three photoresistors. R7, R8, and R9, to ensure that the circuit will follow the sun during the day, but not look for it at night. Photoresistor cells, R7, R8, and R9 have a value of 160Ω in full sunlight and 4880 Ω in the shade, that is not absolutely critical. R7 is mounted in a well with a narrow slit so that sunlight falls upon it only when the photoresistor is pointed directly at the sun. When that occurs, the resistance of R7 drops. That photoresistor and potentiometer R4 form a voltage divider at the base of the Darlington transistor, Q1. When R7's resistance is low, Q1 will be kept off.
When the sun swings a little westward, R7 will no longer be in sunlight, causing its resistance to go up, which raises the base voltage of Q1 and turns that Darlington on. That, in turn closes the relay, K1, providing current to the drive motor, MOT1, which is a 1.5-Vdc, low-torque hobby motor. The motor then turns slowly (resistor R6 limits the maximum current to the motor and keeps it from running too fast), putting R7 in dire'ct sunlight again; Q1's base voltage then drops and the tracker stops. That is repeated again and again as the sun moves across the sky. Photoresistor R8 is mounted on the outside of the well so that it receives a wide angle of full sunlight. When the sun is shining, R8's resistance is low, keeping Q2 turned off, and allowing the tracker to act as described, without interference. But if the sun slips behind a cloud, R8's resistance goes high, producing a forward bias on the base of Q2.That turns that transistor on and sinks the base of Q1 to near ground so that Q1 then remains off. That immobilizes the tracker drive; that also keeps the drive shut down in the dark of night.
Photoresistor, R9, is the dawn sensor. It is mounted on the back of the sun tracker. When the tracker stops at sunset, pointing toward the west, R9 is pointing toward the east. When the sun rises the following morning and shines on R9, its resistance goes low, turning Q2 off and allowing Q1's base to go high. That presents current to the relay and therefore to the drive motor, causing the tracker to swing around to the east.
Reprinted Url Of This Article:
http://www.seekic.com/circuit_diagram/Power_Supply_Circuit/SUN_TRACKING_CIRCUIT_FOR_SOLAR_ARRAYS.html
Print this Page | Comments | Reading(3)
Code: