Published:2009/6/23 3:31:00 Author:Jessie | From:SeekIC


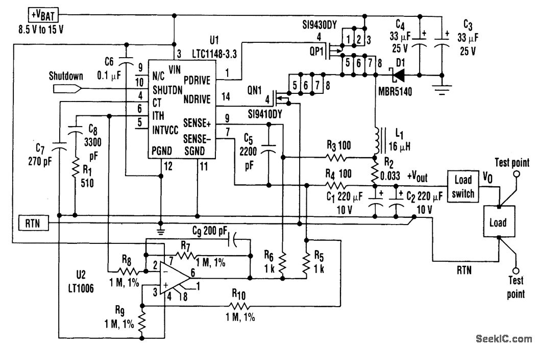
In many switching-regulator applications for portable computers, the microprocessor is located some distance from the power supply. With the latest processors, total load currents range into several amperes. Thus, regulation at the load can become a problem.The ITH pin (pin 6) of the LTC1148 is approximately proportional to the load current. It scales nearly linearly from 0 V at no load to 2.0 V at current limit. U2, acting as a unity-gain differential amplifier, inverts the U1 pin 6 voltage (referenced to SENSE—, pin 7) and causes a current proportional to load current to flow in resistors R5 and R6. A small voltage drop appears across current-sense filter resistors R3 and R4. This' makes the voltage measured by the internal feedback divider appear low. The duty factor is adjusted to bring this back to the correct voltage. As a result, the output is increased slightly as a function of load. Capacitor C9 rolls off the high-frequency gain of the correction amplifier.
Reprinted Url Of This Article:
http://www.seekic.com/circuit_diagram/Power_Supply_Circuit/SWITCHING_POWER_SUPPLY.html
Print this Page | Comments | Reading(3)
Code: