Published:2009/7/16 23:34:00 Author:Jessie | From:SeekIC

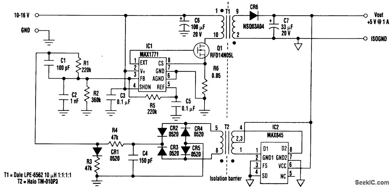
The zero (nonexistent) line regulation of a push-pull, surface-mount transformer and driver (T2 and IC2) produces an isolated feedback signal (to pin 3 of IC1) proportional to the regulator's nominal 5-V output. What results is a fully isolated dc-to-dc converter without the bandwidth constraints and aging characteristics associated with an optoisolator. By alternately grounding each end of T2's center-tapped primary, the transformer driver (IC2) generates an ac signal proportional to the desired 5-V feed-back voltage. A diode bridge (CR2 to CR5) and a capacitor (C4) convert this transformer's output to dc, and a diode-resistor network (CR1, R3, and R4) compensates for the temperature coefficient of the diode bridge. The result is a zero-TC voltage slightly less than 1/2Vout In response to a 5.00-V output, the feedback network produces an isolated 2.404 V (at IC1, pin 3) and introduces about 250 ns of delay at 100 kHz-the equivalent of 9° of phase shift. This bandwidth is sufficient for the control loop in most switching converters. Supply current for IC2 and the temperature compensation network together is about 6 mA. Starting with a 5-V, nonisolated, transformer flyback converter in which Vout connects directly to the top of C1 and R1, you can insert the isolated-feedback circuit (bottom of the figure) between Vout and C1/R1. The only modification needed to accommodate this extra isolated-feedback circuit is to reduce the value of R1, which ensures that the R1/R2 divider voltage is comparable to IC1's internal feedback reference (1.5 V). Performance of the isolated converter is virtually identical to that of the nonisolated converter, except for the power consumed by the isolated-feedback circuit.T2 provides an isolation of 500 V rms (transformers with 1500 V rms also can be obtained).
Reprinted Url Of This Article:
http://www.seekic.com/circuit_diagram/Power_Supply_Circuit/SWITCHING_REGULATOR_WITH_TRANSFORMER_ISOLATED_FEEDBACK.html
Print this Page | Comments | Reading(3)
Code: