Published:2013/12/10 1:33:00 Author: | Keyword: Sealed lead-acid battery charging circuit diagram, | From:SeekIC

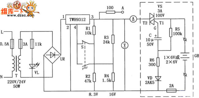
As shown in FIG. It can l just once or two 6V, 4Ah battery charging. Regulators part adopts switching power supply module TWH9312, wide input voltage range; interior also features over-current, short circuit protection, safe and reliable.
Reprinted Url Of This Article:
http://www.seekic.com/circuit_diagram/Power_Supply_Circuit/Sealed_lead_acid_battery_charging_circuit_diagram.html
Print this Page | Comments | Reading(3)
Code: