Published:2013/12/18 19:59:00 Author:lynne | Keyword: Series transistor power supply schematic circuit diagram | From:SeekIC

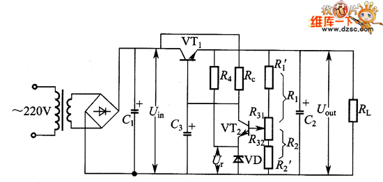
Series transistor power supply schematic circuit diagram shown in Figure:
Reprinted Url Of This Article:
http://www.seekic.com/circuit_diagram/Power_Supply_Circuit/Series_transistor_power_supply_schematic_circuit_diagram.html
Print this Page | Comments | Reading(3)
Code: