Published:2013/12/19 20:01:00 Author: | Keyword: Shanghai excelle distribution diagram 1, | From:SeekIC

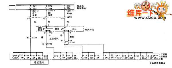
Shanghai excelle distribution diagram 1
Reprinted Url Of This Article:
http://www.seekic.com/circuit_diagram/Power_Supply_Circuit/Shanghai_excelle_distribution_diagram_1.html
Print this Page | Comments | Reading(3)
Code: