Published:2013/3/21 3:50:00 Author:Ecco | Keyword: Simple Split Rail, Power Supply | From:SeekIC



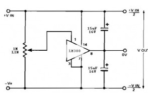
This split power supply circuit uses the of the popular LM380 audio power amplifier chip. The device is internally biased so that without having any input the output is held midway between the supply rails. R1, that will be initially set to mid-travel, is used to nullify any inbalance in the output.
Regulation of Vout depends upon the circuit feeding the LM380, but negative and positive outputs will track accurately irrespective of input regulation and unbalanced loads. The free air dissipation slightly more than 1 watt, and so will require extra cooling. The device is fully protected and will shut-down if its rated dissipation is exceeded. Current limiting occurs when the output current is higher than 1.3 A. The split power supply input voltage should never exceed 20 V.
Reprinted Url Of This Article:
http://www.seekic.com/circuit_diagram/Power_Supply_Circuit/Simple_Split_Rail_Power_Supply_based_LM380.html
Print this Page | Comments | Reading(3)
Code: