Published:2009/7/19 22:19:00 Author:Jessie | From:SeekIC

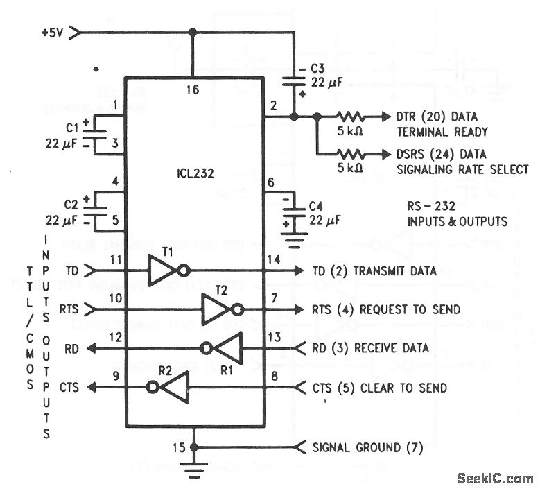
This circuit shows an ICL232 that is connected as a simple duplex RS-232 port with CTS/RTS handshaking. Fixed output signals, such as DTR (data terminal ready) and DSRS (data signaling rate select), are generated by driving them through a 5-kΩ resistor that is connected to V+. Harris Semiconductor. Data Acquisition 1991 p 136
Reprinted Url Of This Article:
http://www.seekic.com/circuit_diagram/Power_Supply_Circuit/Simple_duplex_RS_232_port.html
Print this Page | Comments | Reading(3)
Code: