Published:2011/3/31 21:58:00 Author:Nicole | Keyword: overcurrent, latching | From:SeekIC

Reprinted Url Of This Article:
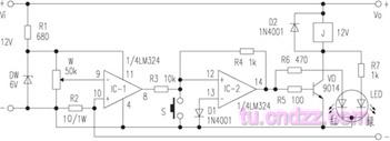
http://www.seekic.com/circuit_diagram/Power_Supply_Circuit/Simple_overcurrent_latching_circuit.html
Print this Page | Comments | Reading(3)
Code: