Published:2013/3/22 3:27:00 Author:Ecco | Keyword: Simple power supply, 5V, 0.5A | From:SeekIC

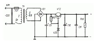
The power supply is designed to supply a stabilized 5V various digital devices with current consumption up to 0.5 A. The transformer T1 is made on the magnetic core SHL20H32.The network contains 1650 turns of PEV-1 d = 0,1 mm, coil II – 55 turns of PEV-1 d = 0,47.In general, for the power supply can use a suitable transformer ready 7W, which provides for winding II AC 8 … 10 V at a current of 500 mA.Regulating transistor VT2 is mounted on the L-shaped dural plate 50×50 and 2 mm thick.
Reprinted Url Of This Article:
http://www.seekic.com/circuit_diagram/Power_Supply_Circuit/Simple_power_supply_5V_05A.html
Print this Page | Comments | Reading(3)
Code: