Published:2013/3/22 2:36:00 Author:Ecco | Keyword: Small Size, Power Supply, 5-12V | From:SeekIC

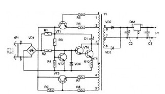
The proposed unit is designed for AC power small electronic devices (handheld radios, tape recorders, watches, etc.). The output voltage can be selected within the range of 5 to 12 V. One of the advantages of unit – small size: all its parts are placed in the body … mains plug.
Reprinted Url Of This Article:
http://www.seekic.com/circuit_diagram/Power_Supply_Circuit/Small_Size_Power_Supply_5_12V.html
Print this Page | Comments | Reading(3)
Code: