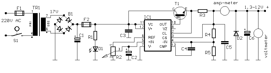
Published:2012/11/26 0:58:00 Author:muriel | Keyword: Small Variable, power Supply | From:SeekIC

Reprinted Url Of This Article:
http://www.seekic.com/circuit_diagram/Power_Supply_Circuit/Small_Variable_power_Supply.html
Print this Page | Comments | Reading(3)
Code: