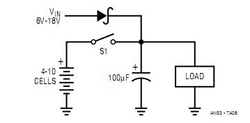
Published:2013/2/24 20:35:00 Author:muriel | Keyword: Switched Battery Application | From:SeekIC

Reprinted Url Of This Article:
http://www.seekic.com/circuit_diagram/Power_Supply_Circuit/Switched_Battery_Application.html
Print this Page | Comments | Reading(3)
Code: