Published:2011/7/11 2:34:00 Author:chopper | Keyword: switching, power supply circuit | From:SeekIC

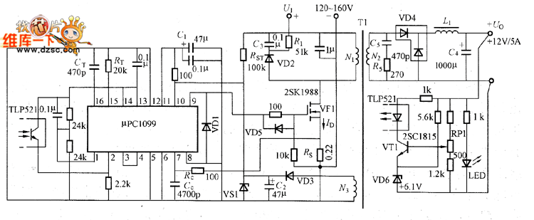
Figure shows the pPC1099 switching power supply.μPC1099 is the switching power supply integrated controller in PWM mode.And it is applied to the primary side control circuit whose main switching components adopt power MOSFET,and the main features are that:it can directly drive the power MOSFET; it is the totem-pole output circuit whose peak output current is 1.2A;it has the fast current of high-impedance;it is the over-current limiting circuit;its oscillation frequency is 50~500kHz;it has the over-voltage protection function and remote control;it uses ⑩-pin DIP and SOP packages.
Reprinted Url Of This Article:
http://www.seekic.com/circuit_diagram/Power_Supply_Circuit/Switching-Regulator_Circuit/μPC1099_switching_power_supply_circuit.html
Print this Page | Comments | Reading(3)
Code: