Published:2011/7/9 3:26:00 Author:chopper | Keyword: switching, power supply circuit | From:SeekIC

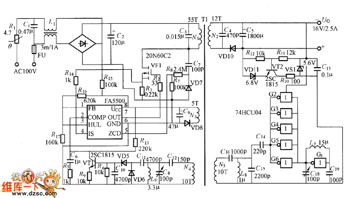
Figure shows the FA550O switching power supply,its input AC voltage is 100V, output is 16V/2.5A. FA5500 is a integrated controller, its output OUT (pin ⑦) drives grid of power M0S-FET (VF1) through the resistor R2.R3 and R14are the over-current detection resistors for VF1.VF1 undertakes switch work,making the winding N1 of transformer T1 through the pulse current.C3 is the resonant capacitor, C4 is the the capacitor in order to reduce the output impedance.Theoutput voltage of winding is converted into output DC voltage after it is commutated and smoothed by VD10 and C5.
Reprinted Url Of This Article:
http://www.seekic.com/circuit_diagram/Power_Supply_Circuit/Switching-Regulator_Circuit/FA550O_switching_power_supply_circuit.html
Print this Page | Comments | Reading(3)
Code: