Published:2011/5/5 9:48:00 Author:Felicity | Keyword: Switching Power Supply Circuit, | From:SeekIC

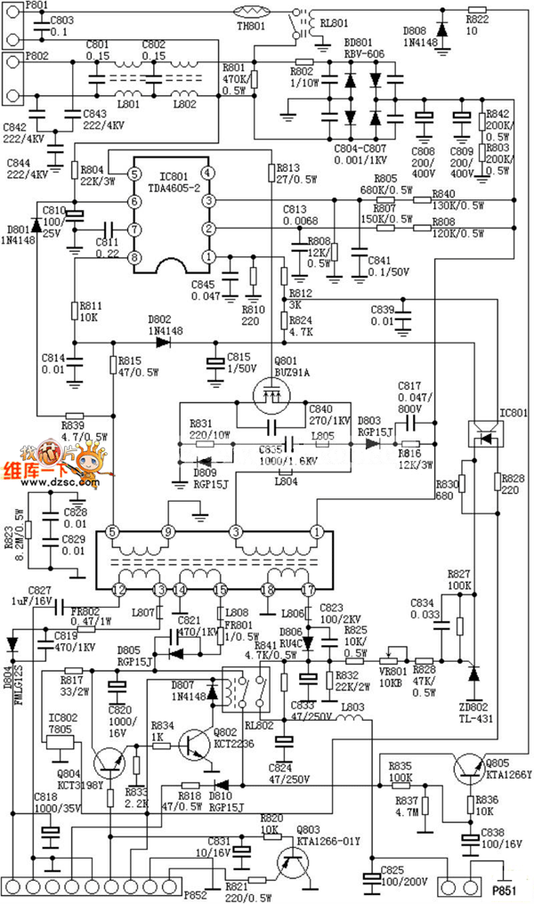
The picture above shows Jinxing C7458 Switching Power Supply Circuit.
Reprinted Url Of This Article:
http://www.seekic.com/circuit_diagram/Power_Supply_Circuit/Switching-Regulator_Circuit/Jinxing_C7458_Switching_Power_Supply_Circuit.html
Print this Page | Comments | Reading(3)
Code: