Published:2011/4/21 20:19:00 Author:Robert | Keyword: Multi-Control, Four Switch | From:SeekIC

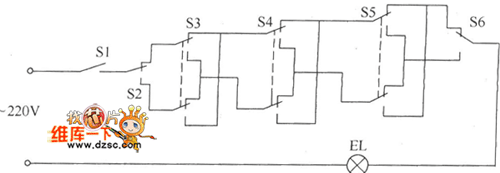
Multi-ControlFour Switch Circuit is shown below:
Reprinted Url Of This Article:
http://www.seekic.com/circuit_diagram/Power_Supply_Circuit/Switching-Regulator_Circuit/Multi_Control_Four_Switch_Circuit.html
Print this Page | Comments | Reading(3)
Code: