Published:2011/4/7 3:44:00 Author:Nicole | Keyword: boost, output | From:SeekIC

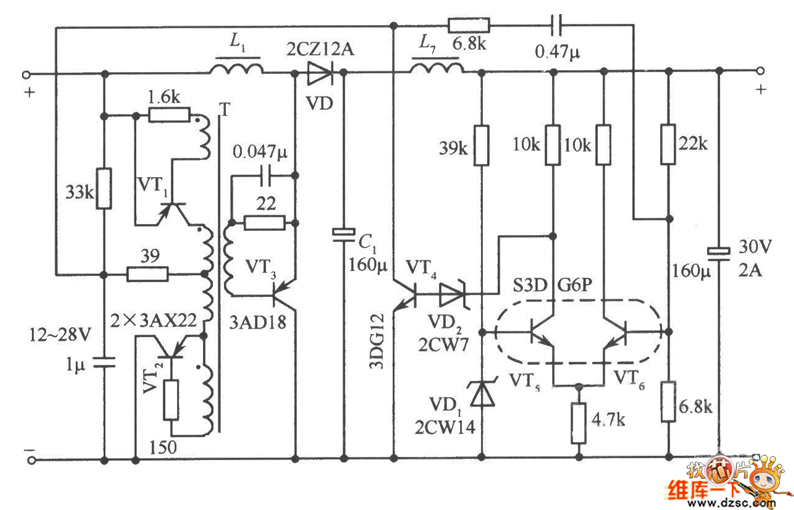
The figure is a boost output type practical circuit. VT3 is the switching regulator; regulator VD2 can change the potential; VT4 is inverting isolation amplifier; Ui is divided by the VT4 and its 33kΩ load resistor. The two voltage supply for pulse generator circuit. Pulse generator circuit consists of the transformer T and VTl, VT2. This is a non-symmetric transformer feedback self-excited multivibrator. The supply of VTl is from the voltage of 33kΩ load resistor, and the current of resistance depends on the current of VT4. VT1, VT2 have different supply voltage, the oscillation amplitude of half and half weeks is changed in direct proportion, the width is inversely proportional to the change, to control the on and off time of VT3. When the output voltage increases, the differential pair VT6 current of error amplifier increases, VT5 current decreases, the collector potential rise, VT4 current increases, 33kΩ resistor voltage drop increases, VTl pipe supply pressure is increased, conduction time is shortened, the conduction time of switch VT3 is shortened, too.
The circuit input voltage is 12 ~ 28V, the output can be stable for 30V, maximum output power is 60W, efficiency is 89.4% ~ 94.7%, instability is ± 0.33%, the ripple coefficient of output voltage is 0.02%, operating frequency is 10kHz.
Reprinted Url Of This Article:
http://www.seekic.com/circuit_diagram/Power_Supply_Circuit/Switching-Regulator_Circuit/Strong_stability_boost_output_circuit_diagram.html
Print this Page | Comments | Reading(3)
Code: