Published:2011/3/24 2:01:00 Author:Joan | Keyword: Switching power supply , integrated power supply , regulated power supply , power supply | From:SeekIC

Reprinted Url Of This Article:
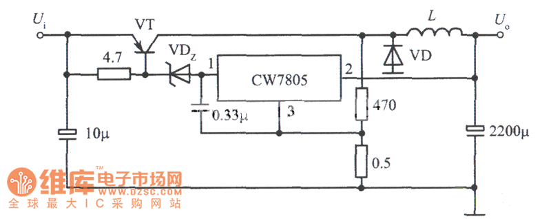
http://www.seekic.com/circuit_diagram/Power_Supply_Circuit/Switching-Regulator_Circuit/Switching_integrated_regulated_power_supply_circuit.html
Print this Page | Comments | Reading(3)
Code: