Published:2009/7/9 3:08:00 Author:May | From:SeekIC

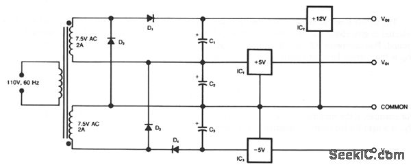
This circuit generates three supply voltages using a minimum of components. Diodes D2 and D3 perform full-wave rectification, alternately charging capacitor C2 on both halves of the ac cycle. On the other hand, diode D1 with capacitor C1, and diode D4 with capacitor C3 each perform half-wave rectification. The full- and half-wave rectification arrangement is satisfactory for modest supply currents drawn from - 5 and +12-V regulators IC3 and IC2. You can use this circuit as an auxiliary supply in an up-based instru-ment, for example, and avoid the less attractive alternatives of buying a custom-wound transformer, build-ing a more complex supply, or using a secondary winding, say 18 Vac, and wasting power in the 5-V regulators.
Reprinted Url Of This Article:
http://www.seekic.com/circuit_diagram/Power_Supply_Circuit/THREE_RAIL_POWER_SUPPLY.html
Print this Page | Comments | Reading(3)
Code: