Published:2009/7/19 22:46:00 Author:Jessie | From:SeekIC

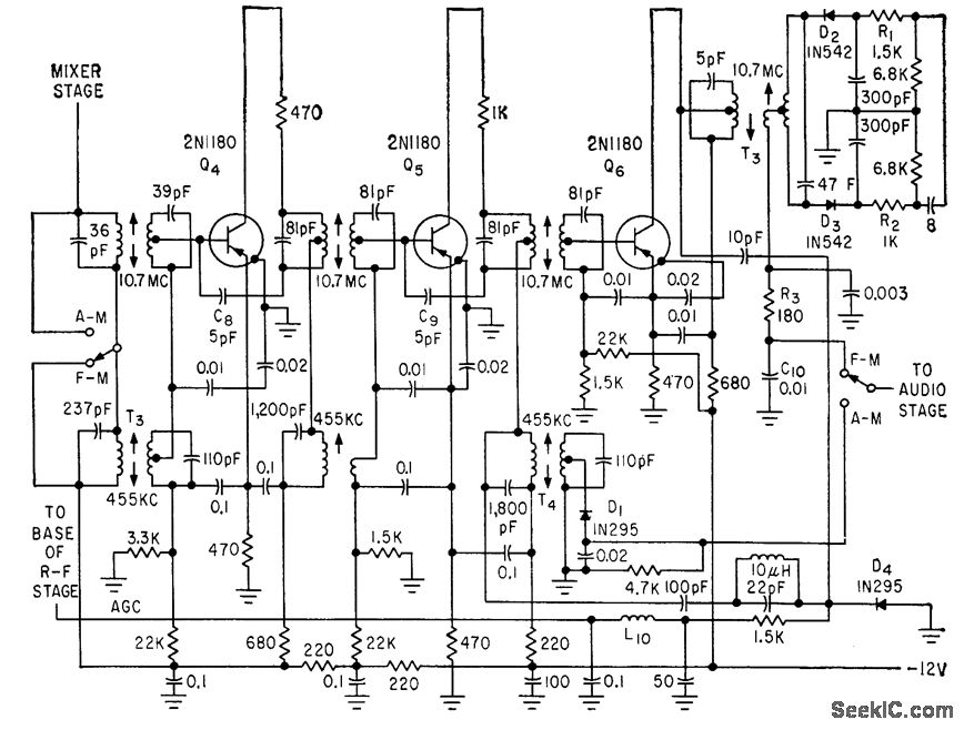
Used in a-m/f-m portable radio. Only two stages operate on a-m.-R. A. Santilli and H. Thanos, Portable Radio Uses Drift-Field Transistors, Electronics, 33:28, p 48-50.
Reprinted Url Of This Article:
http://www.seekic.com/circuit_diagram/Power_Supply_Circuit/THREE_TRANSISTOR_A_M_F_M_I_F_STRIP.html
Print this Page | Comments | Reading(3)
Code: