Published:2009/7/20 21:30:00 Author:Jessie | From:SeekIC

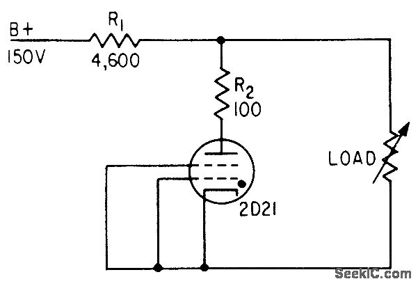
Output of 12 to 16 v is regulated within 1% for loads of 6 to 22 ma. Since 2D21 can handle 100 ma continuously, circuit is easily modified to regulate higher current values.-W. D. Fryer, Thyratron Regulates Supply, Electronics, 31: 25, p 88.
Reprinted Url Of This Article:
http://www.seekic.com/circuit_diagram/Power_Supply_Circuit/THYRATRON_REGULATOR.html
Print this Page | Comments | Reading(3)
Code: