Published:2009/7/19 22:49:00 Author:Jessie | From:SeekIC

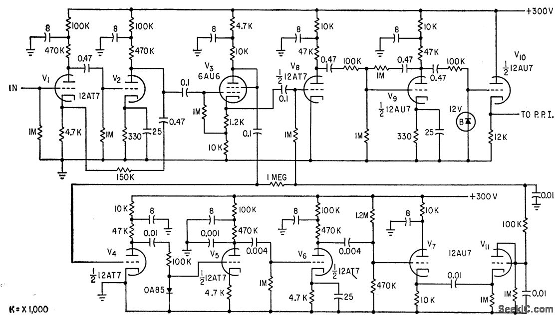
Used to separate desired backscatter pulses from unwanted tone signals of interfering stations on same frequency. Negative-going portion of tone signal is rectified and used us slicer level for passing desired pulse, which rides on top of interfering tone.-K. Perry, Reducing Interference in Ionospheric Sounding, 33:22, Electronics, p 118-120.
Reprinted Url Of This Article:
http://www.seekic.com/circuit_diagram/Power_Supply_Circuit/TONE_SIGNAL_REJECTOR.html
Print this Page | Comments | Reading(3)
Code: