Published:2009/7/16 5:42:00 Author:Jessie | From:SeekIC

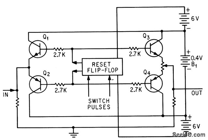
Circuit approaches infinite impedance during off condition by lowering emitter-to-collector conductance gap to zero. Conventional reset flip-flop controls on and off operation of series-connected npn and pnp bridge transistors. –M.V. Kalfaian, Transistor Bridge Switches Microvolts, Electronics, 37:1, p 60.
Reprinted Url Of This Article:
http://www.seekic.com/circuit_diagram/Power_Supply_Circuit/TRANSISTOR_BRIDGE_SWITCHES_MICROVOLT_SIGNALS.html
Print this Page | Comments | Reading(3)
Code: