Published:2009/7/16 22:54:00 Author:Jessie | From:SeekIC

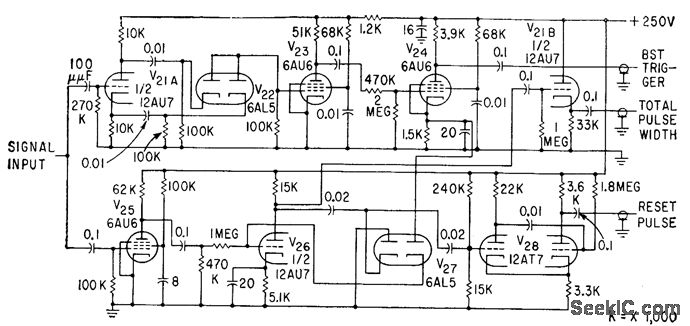
Differentiating circuit provides triggers for each input signal amplitude discontinuity, and resultant positive and negative triggers are converted to uniform negative polarity in paraphase amplifier V21A. Second channel, composed of overdriven amplifiers V25 and V26 and cathode follower V21B, provides output pulse whose width corresponds to that of overall input signal. lagging edge of pulse triggers one-shot V28 to generate delayed reset pulse for subsequent switching circuits.-J. F. Lyons, Jr., Analyzing Multipath Delay in Communications Studies, Electronics, 32:36, p 52-55.
Reprinted Url Of This Article:
http://www.seekic.com/circuit_diagram/Power_Supply_Circuit/TRIGGER_GENERATOR.html
Print this Page | Comments | Reading(3)
Code: