Published:2009/7/17 9:17:00 Author:Jessie | From:SeekIC

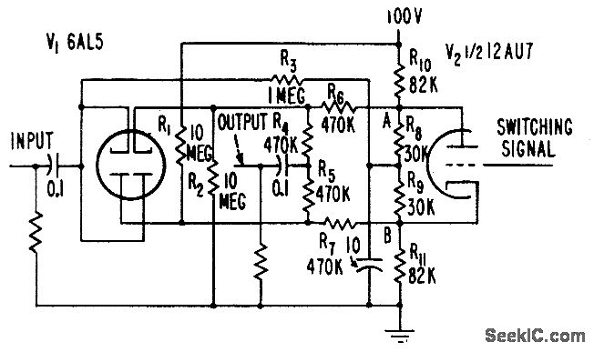
Passes only signals above predetermined positive and negative threshold value, for suppression of audio bockground noise. When V2 is cut off, threshold is at highest value, corresponding to off position of switch. With V2 conducting, threshold will be low and practically all signals appear unclipped at output, corresponding to on position of switch. Provides stable, nontransient switching, independent of changes in tube characteristics.-W. E. Earle, A-C Threshold Converts to Switch, Electronics, 31:1, p 96-99.
Reprinted Url Of This Article:
http://www.seekic.com/circuit_diagram/Power_Supply_Circuit/TRIODE_VARIABLE_RESISTANCE_THRESHOLD_CONTROL_SWITCH.html
Print this Page | Comments | Reading(3)
Code: