Published:2009/7/24 1:59:00 Author:Jessie | From:SeekIC

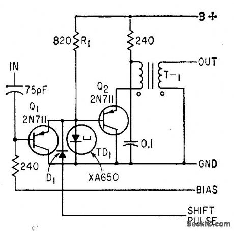
Incorporates tunnel-diode steering by Q1 and D1. T1 provides necessary phase reversal.-W. V.Harrison and R. S. Foote, Tunnel Diodes Increase Digital-Circuit Switching Speeds, Electronics, 34:32, p 154-156.
Reprinted Url Of This Article:
http://www.seekic.com/circuit_diagram/Power_Supply_Circuit/TUNNEL_DIODE_SHIFT_REGISTER.html
Print this Page | Comments | Reading(3)
Code: