Published:2011/6/27 9:58:00 Author:Borg | Keyword: regulated power supply | From:SeekIC

Reprinted Url Of This Article:
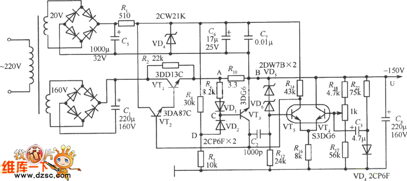
http://www.seekic.com/circuit_diagram/Power_Supply_Circuit/The_150V_regulated_power_supply_circuit.html
Print this Page | Comments | Reading(3)
Code: