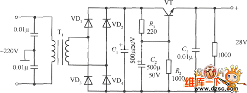
Published:2011/6/25 2:01:00 Author:qqtang | Keyword: regulated, power supply | From:SeekIC

Reprinted Url Of This Article:
http://www.seekic.com/circuit_diagram/Power_Supply_Circuit/The_28v_simple_regulated_power_supply_circuit.html
Print this Page | Comments | Reading(3)
Code: