Published:2011/8/11 8:10:00 Author:Borg | Keyword: Fukang, control circuit | From:SeekIC

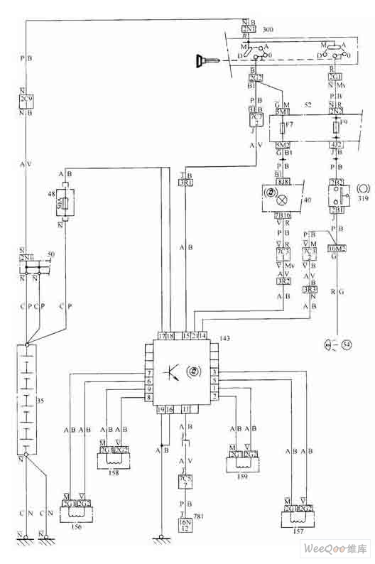
The Fukang car ABS control circuit
Reprinted Url Of This Article:
http://www.seekic.com/circuit_diagram/Power_Supply_Circuit/The_Fukang_car_ABS_control_circuit.html
Print this Page | Comments | Reading(3)
Code: