Published:2011/7/8 5:46:00 Author:Christina | Keyword: Ni-Cd, battery, charging circuit | From:SeekIC

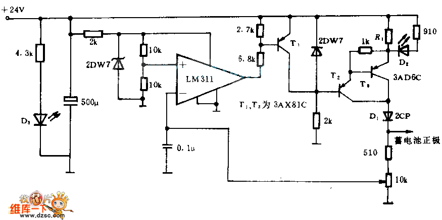
This circuit uses the automatic control and constant current charging methods, and the nominal voltage of thecharged battery is 10V, the charging termination voltage is 12V. The constant-current power supply is composed of the T2,T3 and the related components, the current value is about 4.8V/R1. Diode D1 can prevent the battery discharging when the AC power cuts off or the rectifier circuit failure. LM311 is the comparator, once the comparator is charged to the set value, it will output the low level voltage, the T1 is saturated and turns on, T2 constant-current power supply stops working, the charging process stops.
When you are charging, the LED D2 turns on; D3 can be used as the power indicator.
Reprinted Url Of This Article:
http://www.seekic.com/circuit_diagram/Power_Supply_Circuit/The_Ni_Cd_battery_charging_circuit.html
Print this Page | Comments | Reading(3)
Code: