Published:2011/6/30 20:47:00 Author:qqtang | Keyword: sequence, power supply control | From:SeekIC

Reprinted Url Of This Article:
http://www.seekic.com/circuit_diagram/Power_Supply_Circuit/The_auto_sequence_connecting_power_supply_control_ciruit.html
Print this Page | Comments | Reading(3)
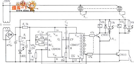
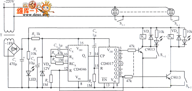
Code: