Published:2011/7/4 22:56:00 Author:Lucas | Keyword: power supply , bridge sensor | From:SeekIC

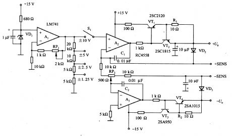
In the circuit, the maximum input voltage of A2 is ± 10V, and the + lOV reference voltage can be got by Al, and the voltage stability is decided by the regulator diode VDI. Thus, VDl uses temperature compensated voltage regulator diode 1S2192. S1 switches A2's input voltage to get different input voltages with±10V, 5V, ± 2.5 V, ±1.25 V by connecting to different resistors. A2 is the non-inverting amplifier, and the output gets positive voltage + U. ; A3 is the inverting amplifier, and the output gets negative voltage -U. ; RP2 is used to adjust the negative output voltage.
Reprinted Url Of This Article:
http://www.seekic.com/circuit_diagram/Power_Supply_Circuit/The_power_supply_circuit_of_bridge_sensor.html
Print this Page | Comments | Reading(3)
Code: